
LDC系列插入式電磁流量計是在管道式電磁流量計的基礎上發展起來的一種新型流量儀表,針對管道式電磁流量計在管道上安裝困難,費用大等缺陷,特別是采用帶壓開孔、帶壓安裝技術后,插入式電磁流量計可在不停水的情況下安裝,也可以在鑄鐵管道、水泥管道上安裝。
0517-86889882
18994586033

1、產品簡介
LDC系列插入式電磁流量計是在管道式電磁流量計的基礎上發展起來的一種新型流量儀表,針對管道式電磁流量計在管道上
安裝困難,費用大等缺陷,特別是采用帶壓開孔、帶壓安裝技術后,插入式電磁流量計可在不停水的情況下安裝,也可以在
鑄鐵管道、水泥管道上安裝。
2、傳感器原理
傳感器實際上是一種液體流速測量儀表。它是應用法拉第感應定律的原理制成的流速測量儀表。圖1 是插入型流量計基本工
作原理的示意圖。用長桿將小的電磁流量傳感器插入到被測量管道中規定位置,導電流體垂直流過傳感器工作磁場時(轉換
器向傳感器提供勵磁電流時,在勵磁線圈構成的勵磁系統中產生工作磁場),相當導體在磁場中作切割磁力線運動。根據法
拉第感應定律,在導體的兩端產生感應電動勢。感應電動勢由接觸流體的一對電極來檢測。電動勢的大小與磁感應強度B、
兩極間距離L 和流體的平均流速呈正比。即 E=B·L·V(伏)式中:E——感應電動勢,V; B——磁場強度,T; L——兩電極間
距離,m;
V——流過傳感器的流速(亦即代表被測管道規定插入點的質點流速),m/s
K——系數。

3、電路工作原理

4、結構組成


●測量管內無可活動部件,傳感器使用壽命長;
●傳感器感應電壓信號與平均流速呈線性關系,因此測量精度高;
●抗干擾能力強、體積小、重量輕、安裝方便、維護量小、測量范圍寬;
●可在老管道上截取改造安裝,施工簡單,工程量小;
●測量不受流體溫度、密度、壓力、粘稠度、電導率等變化的影響;
●管內無阻力部件,因此沒有附加壓力損失,不會產生阻塞,測量可靠;
●與一般流量計的成本和安裝費用低,特別適合大中口徑管道流量的測量;
●中文LCD顯示器,顯示累積流量,瞬時流量、流速、流量百分比等;
●可測量液固兩相流,高粘度液流及鹽類、強酸、強堿液體的體積流量。



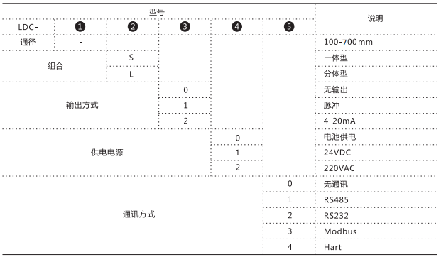
一、插入式電磁流量計選型型譜

二、插入式電磁流量計安裝要求
1、安裝位置要求

①選擇介質滿管位置;
②電極連線垂直水流方向;
③在水平管道上安裝時,垂直向上安裝或者垂直<45°安裝;
2、附近有閥門安裝要求

②閥門安裝在儀表前端的情況下,盡量離流量計>20
3、直管段要求

上游10倍口徑直管段,下游5倍口徑直管段,可正常測量
4、插入式電磁流量計錯誤安裝

①應避免管道內氣體;
②應避免安裝在管道最高點;
③應避免安裝在水流向下自由出口的垂直管道上